服务热线
4006-598-119
吉林海湾GST-LD-8301A输入输出模块结构尺寸

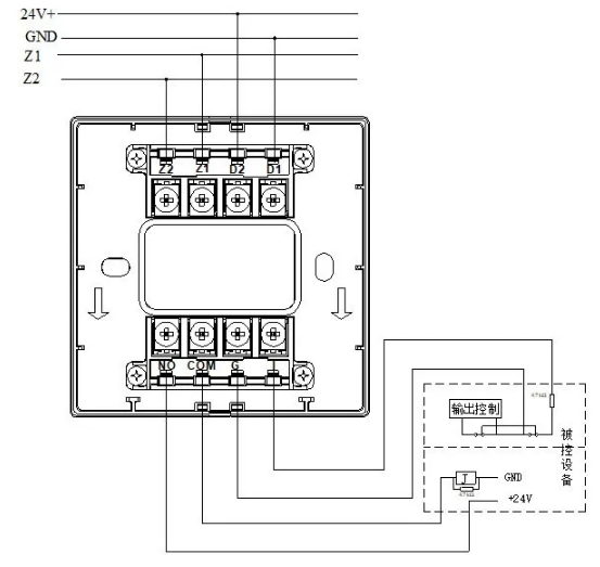
吉林海湾GST-LD-8301A输入输出模块对外端子示意图如下

其中:
Z1、Z2:接吉林火灾报警控制器信号二总线,无极性
D1、D2:DC24V电源输入端子,无极性
I、G:与被控制设备无源常开触点连接,用于实现设备动作回答确认(也可通过电子编码器设为常闭输入或自回答)
COM、NO:无源常开输出端子(注意:此端子间有微弱检线电流!)
布线要求:信号总线Z1、Z2采用耐火RVS型双绞线,截面积≥1.0mm2;电源线D1、D2采用耐火BV线,截面积≥1.5mm2;I、G采用RV线,截面积≥1.0mm2。
应用方法
模块输入端如果设置为“常开检线”状态输入,模块输入线末端(远离模块端)必须并联一个4.7kΩ的终端电阻;模块输入端如果设置为“常闭检线”状态输入模块输入线末端(远离模块端)必须串联一个4.7kΩ的终端电阻。
输出控制电压可由被控设备提供,若被控设备不能提供,可从模块DC24V电源侧取电。模块无源输出触点控制设备,模块与被控制设备的接线示意图如下图:图一常开、图二常闭



